
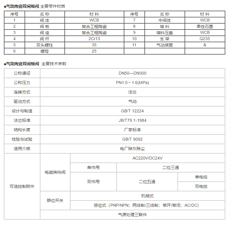
■气动陶瓷双闸板阀 概述
气动陶瓷双闸板阀适用于高硬度的颗粒如(灰渣水)等介质,或有软颗粒但又有腐蚀性的介质的管道上作启闭之用。公称压力1.0MPa,适应温度≤200℃。
气动陶瓷双闸板阀密封面采用硬密封与介质接触的部分均为结构陶瓷材料,其化学稳定性及硬度极高(硬度HRA88以上,次于金钢石)。因此,本阀具有极高的耐磨损、耐腐蚀、耐冲蚀性能,热膨胀小,高抗压强度,优良的拒氧化和耐腐蚀性能,耐高温,隔热性能良好。
工程陶瓷刀闸阀阀门密封部件和易损过流部件采用工程陶瓷材料制作,能承受高速流体中颗粒介质的磨损、冲蚀,阀门使用寿命长,比较普通阀门提高10倍。
气动陶瓷双闸板阀适用于发电厂干灰系统、仓泵出料输送,也可适用于矿山、造纸、化工等个类有磨损的干粉尘、水例如(灰渣水)等介质在管道上作启闭之用。公称压力1.0MPa,适应温度≤200℃,气源压力0.4-0.6MPa。
气动陶瓷双闸板阀关闭后任何方向全部密封。阀体中间体采用WCB铸钢件及无缝钢管焊接。密封面采用硬密封件。
本阀料口全流通无阻挡物有吹堵装置,耐磨性能,密封性能好,启动负荷小卡灰及结灰现象少。
本阀采用高档曾韧结构陶瓷密封,机械强度高耐磨性能好使用寿命长。结构紧凑可任意角度安装。
■气动陶瓷双闸板阀 产品特点
1、陶瓷双闸板阀结构紧凑,阀门阀轴与壳体组件之间空隙,采用轴密封件进行密封,保证阀门在操作过程中不漏灰,且利于检修方便;
2、气动陶瓷双闸板阀由左阀体和右阀体固联而成,内部安装有两块闸板,闸板可沿阀体内腔平行移动,小限度的占有阀腔空间,在开启和关闭过程中实现自旋功能,阀门在工作状态下完全达到不卡涩现象,阀门开关灵活;
3、■气动陶瓷双闸板阀 的阀体选用碳钢结构,阀座选用工程陶瓷,闸板选用结构陶瓷+不锈钢,密封填料采用聚四氟乙烯或石墨石棉材料;
4、阀门在开启、关闭过程中,闸板与阀体密封面贴合紧密,阀体内缸杆进行直线运动,在强制结构的作用下实现密封;
5、气动陶瓷双闸板阀开启状态下介质全面流通无阻塞;关闭时压力密封牢固;
6、阀体内及闸板陶瓷采用先进工艺进行制造,陶瓷表面平整光滑,与阀门过度处接触严密,耐高温温度要求达到250℃;
7、根据每个公司现场环境及安装位置的不同,阀门阀体总体宽度不和总厚度要达到客户要求。
8、所供气动陶瓷双闸板阀配供阀门反法兰及连接紧固件;
9、所供阀门整体符合有关标准,阀门阀体、闸板光滑、完整,无裂纹、砂眼等不良现象;
10、■气动陶瓷双闸板阀 的阀体内部与阀门闸板侧面配合卡槽安装有耐高温密封填料,当阀门全部打开时在阀门体外看不到闸板部分。

2021.08.19
催化燃烧设备在涂布行业的应用,涂布技术广泛应用于纸张、胶黏带、感光工业均得到广泛应用,涂布工艺更是飞快发展,涂层剂中含有大量的有机溶剂,在涂层和烘干环节释放出有机废气,主要包含酯类、醇类、酮类等废气,如不进行治理,会严重污染环境,而且会造成很大的经济损失,同时也对作业人员健康造成危害。
查看详情
2021.08.19
锅炉布袋脉冲除尘器维护保养与检修时要断开开关电源、气动阀门并使储气包处在过热蒸汽下开展。开展除尘设备内维护保养、检修时,应整洁里边的烟尘,照明灯具装置应禁止应用用火。在现场要配备消防灭火器预留,避免产生爆炸事故事故。
查看详情
2021.08.19
活性炭吸附箱活性炭吸附箱可用不锈钢、炭钢、PP板等材质制作,具有吸附效率高、适用面广、维护方便、能同时处理多种混合废气等优点,活性炭具有祛除甲醛、苯、TVOU等有害气体和消毒除臭等作用。
查看详情